RF Explorer 3G+ IoT modules are ready to use, advanced Spectrum Analyzer devices you can configure and control any way you want, from an Arduino, Raspberry Pi, or any other programming platform.
These modules are cost-effective platforms to develop your own customized Spectrum Analyzer, Power Detector, RF activity alarm, RF sniffer, RF QA test bench, etc.
Programmability and network capabilities of the hosting platform enables remote control and diagnosis scenarios, fully automated RF alarm systems, advanced assistance for unattended detection requirements such as those of radio operators, cell towers and HAM stations.

RF Explorer 3G+ IoT boards are delivered in two configuration modes:
- Raspberry Pi
- Arduino and compatible boards (3.0 – 3.3V only)
We recommend Raspberry Pi mode for advanced usage and more powerful libraries, and Arduino for simpler, non-Linux software libraries related development.
For added flexibility, these two boards can be easily re-converted between modes by soldering a required connector:
- Raspberry Pi Hat can be converted to Arduino Shield by soldering standard 0.1” male headers to the PCB
- Arduino Shield can be converted to Raspberry Pi Hat by soldering a 26x2 0.1” female header to the PCB
Designed in this way, it is easy to reconvert the board to a different hosting platform with no extra cost if you have different needs down the road.
Furthermore, other platforms such as BeagleBoard, Chip, Chipkit, Teensy all them can easily control a RF Explorer 3G+ IoT by manually connecting to standard UART port.
RF Explorer 3G+ IoT Specifications
| Parameter | Description |
|---|---|
| Module included | 3G+ MWSUB3G advanced RF Explorer module |
| Frequency band coverage | 15-2700 MHz |
| Connector | Standard SMA 50 ohms |
| Selectable input stage | Normal, LNA, 30dB Attenuator |
| Amplitude resolution | 0.5dBm |
| Dynamic range | -130dBm to +10dBm |
| Absolute Max input power | +30dBm |
| Average noise floor level | -120dBm (typical with LNA enabled) |
| Frequency stability and accuracy | +-10ppm (typical) |
| Amplitude stability and accuracy | +-3dBm (typical) |
| Amplitude and Frequency calibration | All modules are factory calibrated |
| Frequency resolution | 1Khz |
| Resolution bandwidth (RBW) | automatic 3KHz to 600KHz |
| DC Voltage Level | 3.3V on all pins |
| DC Protection | Protected with resettable fuse |
| Power consumption | 100-500mW |
Design your Own RF tool
By leveraging RF Explorer proven technology, the 3G+ IoT modules offer same software tools used by RF Explorer Handheld units, but in a compact, reusable and customizable platform.
The internal MWSUB3G is part of the new RF Explorer Plus family of products with advanced features, including an enhanced input stage with 20dB Gain Low Noise Amplifier (LNA) for capturing low power signals, as well as 30dB attenuator for high amplitude signals. These input stages are selectable by software.
Software libraries are included for Arduino and Raspberry Pi, using same API currently implemented in all RF Explorer product family, see more details in Software Download section below. All libraries and examples are open source and available at GITHUB.
If your design requires network connection for local or remote monitoring of RF activity, we suggest Raspberry Pi hosting platform.
On the other hand, for local/direct USB connection to a computer, the Arduino hosting platform may be more convenient and lower power consumption.
Where to buy RF Explorer IoT Modules
Digikey (worldwide): link
Raspberry Pi instructions

For specific instructions on Raspberry Pi boards, please visit this link.
Arduino instructions

IMPORTANT: Do not connect to 5V Arduino boards, the IoT module is only compatible with Arduino 3.3V models. Not following this advise will damage your IoT module.
We recommend Arduino DUE, if you want to connect to a different Arduino model contact with us first.
For specific instructions on Arduino boards please visit this link.
Software Download
Please visit our download page (link)
Compatible with multiple platforms
All RF Explorer IoT modules can work with any development platform with some UART enabled.
We selected Arduino and Raspberry Pi hosting platforms, but using a few pigtail wires you can easily connect these modules to any other hosting with UART.
To name a few of the most popular low cost options:
- BeagleBoard
- Teensy
- etc
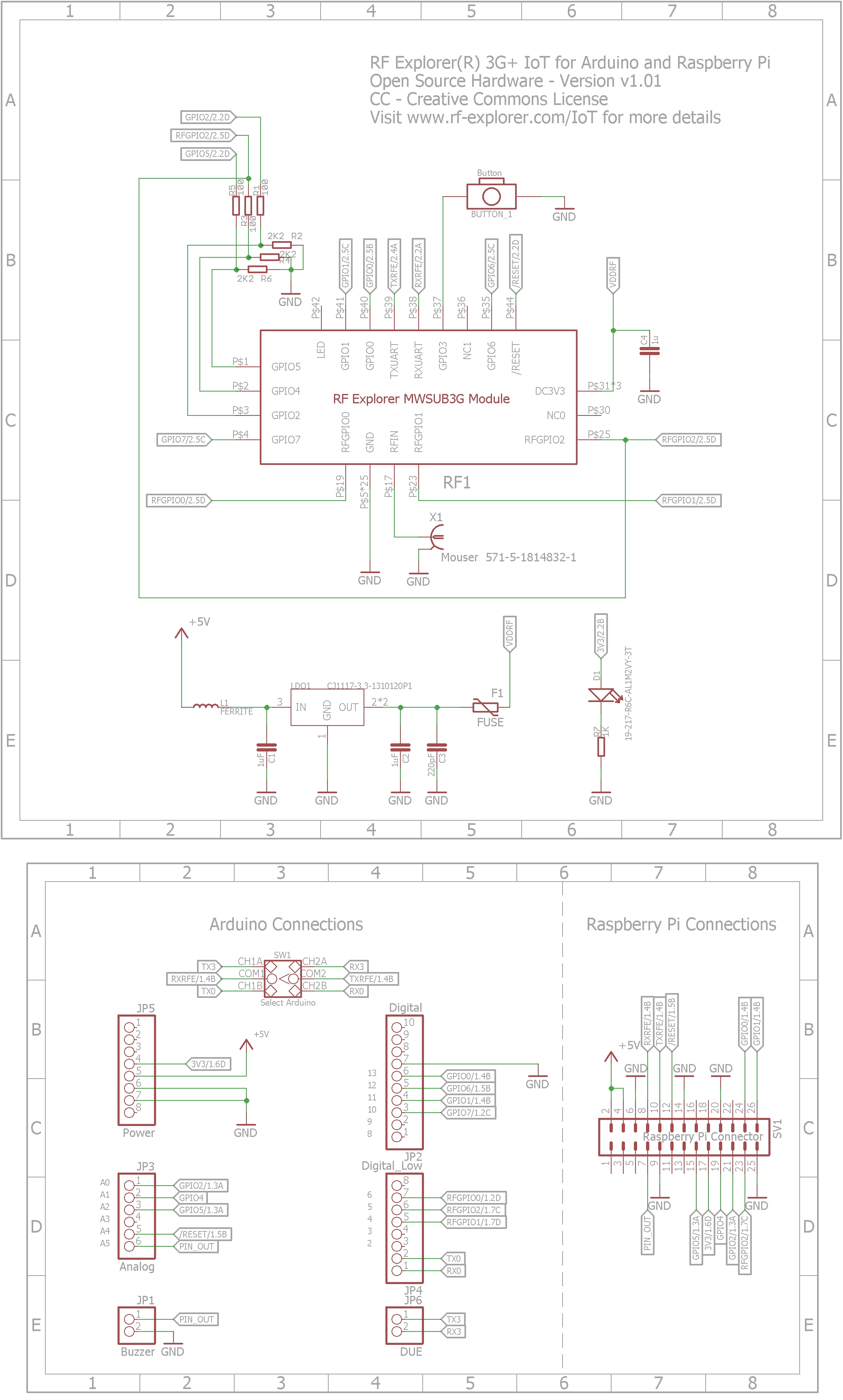
Open Source Hardware
Download reference design files: link
Available as separated embedded module
At the core of the RF Explorer 3G+ IoT is the advanced RF Explorer MWSUB3G module.
RF Explorer MWSUB3G includes all hardware and functionality to create a custom, embedded RF platform with a specific PCB design. Thanks to small module dimensions (42x52mm), it can be easily added to any existing design with a CPU or microcontroller suitable for UART communication.
To get prices of standalone RF Explorer MWSUB3G modules (minimum quantity 5pcs), contact us for a quote.
We also offer OEM design and implementation engineering services to help you adapt the product to your specific needs.
